燃焼機 |TAKASAGO TBG シリーズ 製品 一覧
ガスバーナーTBGシリーズの特徴
■高い安全性・安定性を実現
オイルバーナー同様、メカ・ソフトの両面から安全性を追求しております。 また、バーナーで大切なことは確実な着火と安定した炎の再現性です。 長年のノウハウと独自の技術により、高い安定性と再現性を兼ねそろえたガスバーナーとなっております。
■シンプルな構造、高い信頼性
極めてシンプルな設計となっているため、故障やトラブルの心配がなく、メンテナンスも非常に容易な構造となっております。
■高負荷燃焼が可能
幅広い出力レンジの中でも、大出力を前提とした設計となっております。 燃焼室の中での完全燃焼性を追及し、高負荷燃焼に耐えうる構造となっております。
■幅広いラインナップ
小出力から大出力まで広範囲にわたりシリーズ化しました。
■ユニバーサルバーナー
製造ガス、天然ガス、LPG、その他あらゆる可燃ガスの燃焼が可能です。 パラメーターの変更で、それぞれのガスに最もマッチした、安定性・再現性の高い燃焼が可能です。
ガスバーナーTBGシリーズの燃焼機構
■燃焼機構について
点火方式は燃焼機により、電弧による直接点火方式とパイロットバーナー方式があります。 燃料ガスは、ガスノズルよりゆっくりした速度で送り出され、ディフューザの前面にそって流れます。
燃焼用空気は送風機より供給され、整流されて燃焼筒の後部より燃焼筒内に入り、 ガスノズルのパージ穴とガスノズルの外筒より燃料ガスに供給されます。 燃焼用空気は燃料ガスを包むように噴出しますので、ガスと空気はどのような量においても 常に完全な可燃性混合気を作ることができ、短時間に完全燃焼します。
また、燃焼の安定をはかるため、保炎面積の広いディフューザをガス噴出口の近くに設けてあります。 燃焼の監視は紫外線検出器により行いますが、パイロット炎も主炎も確実に検知できるように工夫されております。

ガスバーナーTBGシリーズの仕様
| 燃料種別 | 燃焼量(10,000kcal/h) | 制御方法 | ガスコントロール | T.D.R(自動) | 点火方法 | 燃焼空気圧力(KPa) | 燃焼空気量(Nm3/min) | パイロットガス圧力(KPa) | パイロットガス量(Nm3/H) | 燃焼監視器 | 火炎寸法(MAX) | 燃焼空気入口径 | パイロット入口径 | 設置場所(レインシェルター内) | |
|---|---|---|---|---|---|---|---|---|---|---|---|---|---|---|---|
| TBG-3 | ガス | 5〜35 | ON-OFF or 比例 | 調量弁 | 1:5 | ガスパイロットバーナー | 2〜3 | 9.0 | 3〜5 | 0.4 | 紫外線検出 | φ200×800L | 80A | 15A | 屋外 or 屋内 |
| TBG-4 | 15〜70 | 比例 | 1:6 | 18 | φ300×1500L | 100A | |||||||||
| TBG-5 | 25〜110 | 1:8 | 34 | φ400×1800L | 125A | ||||||||||
| TBG-6 | 45〜210 | 54 | φ450×2300L | 150A | 20A | ||||||||||
| TBG-8 | 55〜280 | 68 | φ600×3000L | 200A | |||||||||||
| TBG-10 | 75〜370 | 91 | φ800×4000L | 250A | |||||||||||
| TBG-12 | 100〜550 | 160 | 300A | ||||||||||||
| TBG-14 | 130〜650 | φ1200×6000L | 350A |
ガスバーナーTBGシリーズの標準寸法図
■図

■寸法(mm)
| 燃焼量(10,000kcal/hr) | A | B | C | D | E | F | G | H-φI | J | K | L | M | |
|---|---|---|---|---|---|---|---|---|---|---|---|---|---|
| TBG-3 | 5〜35 | 300 | 120 | 175 | 200 | 170 | 231 | 260 | 4-φ12 | 80A | 20A | 25A | 100 |
| TBG-4 | 15〜70 | 350 | 168 | 200 | 250 | 178 | 258 | 310 | 8-φ14 | 100A | 25A | 32A | 120 |
| TBG-5 | 25〜110 | 400 | 202 | 250 | 300 | 206 | 286 | 350 | 8-φ18 | 125A | 32A | 40A | 140 |
| TBG-6 | 45〜210 | 450 | 240 | 275 | 350 | 236 | 341 | 400 | 8-φ18 | 150A | 40A | 50A | 160 |
| TBG-8 | 55〜280 | 500 | 276 | 300 | 400 | 256 | 370 | 450 | 8-φ18 | 200A | 40A | 65A | 180 |
| TBG-10 | 75〜370 | 550 | 316 | 325 | 450 | 300 | 420 | 500 | 8-φ18 | 250A | 50A | 65A | 200 |
| TBG-12 | 100〜550 | 600 | 400 | 370 | 500 | 354 | 564 | 550 | 6-φ18 | 300A | 80A | 80A | 220 |
| TBG-14 | 130〜650 | 700 | 440 | 410 | 600 | 395 | 625 | 640 | 6-φ19 | 350A | 80A | 100A | 240 |
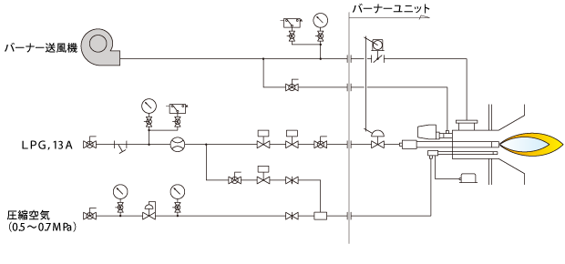
ガスバーナーTBGシリーズの燃焼フロー図例

ガスバーナーTBGシリーズの火炎サイズ

-
カテゴリ商品名備考用途
-
ガス燃焼機TAKASAGO
TBG シリーズTBG-3
燃焼量:5-35 ℓ/h- ガス燃焼機
- TAKASAGO 製品
- 焼却設備用燃焼機
- 脱臭脱煙設備用燃焼機
- ボイラ用燃焼機
-
ガス燃焼機TAKASAGO
TBG シリーズTBG-4
燃焼量:15-70 ℓ/h- ガス燃焼機
- TAKASAGO 製品
- 焼却設備用燃焼機
- 脱臭脱煙設備用燃焼機
- ボイラ用燃焼機
-
ガス燃焼機TAKASAGO
TBG シリーズTBG-5
燃焼量:25-110 ℓ/h- ガス燃焼機
- TAKASAGO 製品
- 焼却設備用燃焼機
- 脱臭脱煙設備用燃焼機
- ボイラ用燃焼機
-
ガス燃焼機TAKASAGO
TBG シリーズTBG-6
燃焼量:45-210 ℓ/h- ガス燃焼機
- TAKASAGO 製品
- 焼却設備用燃焼機
- 脱臭脱煙設備用燃焼機
- ボイラ用燃焼機
-
ガス燃焼機TAKASAGO
TBG シリーズTBG-8
燃焼量:55-280 ℓ/h- ガス燃焼機
- TAKASAGO 製品
- 焼却設備用燃焼機
- 脱臭脱煙設備用燃焼機
- ボイラ用燃焼機
-
ガス燃焼機TAKASAGO
TBG シリーズTBG-10
燃焼量:75-370 ℓ/h- ガス燃焼機
- TAKASAGO 製品
- 焼却設備用燃焼機
- 脱臭脱煙設備用燃焼機
- ボイラ用燃焼機
-
ガス燃焼機TAKASAGO
TBG シリーズTBG-12
燃焼量:100-550 ℓ/h- ガス燃焼機
- TAKASAGO 製品
- 焼却設備用燃焼機
- 脱臭脱煙設備用燃焼機
- ボイラ用燃焼機
-
ガス燃焼機TAKASAGO
TBG シリーズTBG-14
燃焼量:130-650 ℓ/h- ガス燃焼機
- TAKASAGO 製品
- 焼却設備用燃焼機
- 脱臭脱煙設備用燃焼機
- ボイラ用燃焼機
高砂エンジニアリング株式会社





高砂エンジニアリング株式会社